Gulion巨菱智能私家电梯 上海嘉定三层家用电梯 客户案例介绍:
上海嘉定皇府别墅区渠先生有一栋地面三层独栋别墅。渠先生安装家用别墅电梯意向很明确,早期在设计和装修房子的时候已经搭建好砖混土建井道,是专门用于安装电梯,这为后期安装家用电梯提供很大的便利,省时省力也变相节约了成本。但是通过我们技术上门现场勘测尺寸发现,渠先生预留井道尺寸比较大,但顶层层高只有2600mm,相对其他别墅顶层高度在3000mm以上来说比较矮。针对这样顶层高度不足情况下我们Gulion巨菱设计方案又是怎样的呢?
渠先生3层独栋别墅外形图
已经预留好的砖混土建井道尺寸:1900*1200mm(宽*深),底坑深度:900mm。技术上门勘测每层层高数据:1F:3100mm,2F:2300mm,3F:2600mm。

利用水平激光仪勘测预留好井道场景图
根据现场勘测数据进行整理分析,我们技术部给出一个详细的家用电梯设计方案。采用Gulion巨菱GT800系列曳引式驱动家用电梯,这款驱动家用电梯可以很好的利用井道空间,增加轿厢面积,提高乘梯舒适度。最主要后期维护起来很方面,各项技术在国内都很成熟,零部件好匹配,也是性价比最高一款家用别墅电梯。


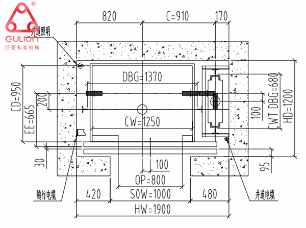
渠先生 三层家用电梯 详细设计图纸
通过以上设计图纸可以看出这是一个800mm自动中分开门,载重400kg私家电梯。电梯内部轿厢尺寸可以达到1250*950*2100mm,这样的一个尺寸可以一次乘坐4-5人,婴儿车或者老年轮椅都可以进出自如。后期渠先生家用电梯内部装潢风格,我们可以根据渠先生家整体的家装风格来进行设计,达到整体协调。同时渠先生这台三层家用电梯搭载我们物联网管理模式,可以通过手机端和电脑智能掌握自家电梯使用和运行状况,同时又是电梯一重安装保护,也为后期及时维保维护提供保障。

家用电梯 后期安装实景图
Gulion巨菱私家电梯是一家依托于德国巨菱(Germny Gulion)国际控股集团授权品牌Gulion,集电梯研发设计、匠心智造、品牌营销、安装维保服务于一体的专业私家楼宇上下电梯综合企业。目前公司主要运营电梯型号为GT系列、GH系列、GS系列、GN系列、GM系列等。公司拥有电梯特种行业资质,中国营销中心座落于上海,巨菱制造工厂坐落于江苏苏州。巨菱智能私家电梯,伴您上下随心,安全随行!







